Geotech calculator From Open source
Back
Calculators
Terzaghi
Shallow Square Footing
Shallow Rectangular footing
Deep Foundation
Shallow Rectangular Footing Calculator
Footing Net and Gross Pressure
Footing Wide Beam Shear
Footing Design
Force Dead Load (P
DL
)
kN
Force Live Load (P
LL
)
kN
Moment Dead Load (M
DL
)
kN-m
Moment Live Load (M
LL
)
kN-m
Direction of Moment (from the center)
Select direction of moment
Clockwise
Counterclockwise
Orientation of Moment Type
Select Orientation of moment
Parallel to B
Parallel to L
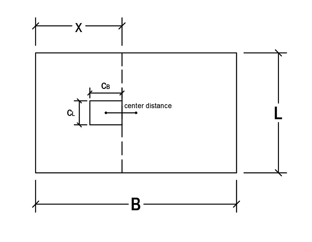
Footing Dimension (L)
m
Footing Dimension (B)
m
Column Dimension (C
L
)
mm
Column Dimension (C
B
)
mm
Center Distance b/w Column and Footing
m
Soil Unit Weight (γ)
kN/m
3
Concrete Unit Weight (γ
c
)
kN/m
3
Depth of Footing (D
f
)
m
Thickness of Footing (t)
m
Compute
Clear
Output Values
Max Soil Net Pressure (q
n,max
)
kPa
Min Soil Net Pressure (q
n,min
)
kPa
Max Soil Gross Pressure (q
g,max
)
kPa
Min Soil Gross Pressure (q
g,min
)
kPa
Force Dead Load (P
DL
)
kN
Force Live Load (P
LL
)
kN
Moment Dead Load (M
DL
)
kN-m
Moment Live Load (M
LL
)
kN-m
Direction of Moment
Select direction
Clockwise
Counterclockwise
Orientation of Moment Type
Select Orientation
Parallel to B
Parallel to L
Footing Dimension (L)
m
Footing Dimension (B)
m
Column Dimension (C
L
)
mm
Column Dimension (C
B
)
mm
Load Eccentricity (e
load
)
m
Soil Unit Weight (γ
soil
)
kN/m
3
Concrete Unit Weight (γ
c
)
kN/m
3
Depth of Footing (D
f
)
m
Thickness of Footing (t)
m
Concrete Strength (f'
c
)
MPa
Steel Yield Strength (f
y
)
MPa
Concrete Cover (cc)
mm
Rebar Diameter (d
b
)
mm
Wide Beam Shear Distance from Edge
m
Compute
Clear
Output Values
Demand Load (V
u
)
kN
Capacity of the Footing (φV
c
)
kN
Remarks
Force Dead Load (P
DL
)
kN
Force Live Load (P
LL
)
kN
Moment Dead Load (M
DL
)
kN-m
Moment Live Load (M
LL
)
kN-m
Direction of Moment
Select direction
Clockwise
Counterclockwise
Orientation of Moment
Select Orientation
Parallel to B
Parallel to L
Footing Dimension (L)
m
Footing Dimension (B)
m
Column Dimension (C
L
)
mm
Column Dimension (C
B
)
mm
Center Distance b/w Column & Footing
m
Soil Unit Weight (γ)
kN/m
3
Concrete Unit Weight (γ
c
)
kN/m
3
Depth of Footing (D
f
)
m
Thickness of Footing (t)
m
Concrete Strength (fc')
MPa
Steel Yield Strength (f
y
)
MPa
Concrete Cover (cc)
mm
Reinforcing Bar Diameter (Ø)
mm
Distance (x)
m
Compute
Clear
Step 1: Moment of Footing
Ultimate Load (Forces)
kN
Ultimate Load (Moment)
kN-m
Footing Moment (Mf)
kN-m
Step 2: Determine If No Uplift
Eccentricity (e
u
)
m
Max Eccentricity w/o Uplift
m
Result
Step 3: Soil Net Pressure
Max Ultimate Soil Net Pressure (qu1)
kPa
Min Ultimate Soil Net Pressure (qu2)
kPa
Step 4: Effective Depths
Effective Depth on Long Direction (dB)
mm
Bars on Short Direction (Top Bars)
mm
Step 5: Solve q
u4
Ultimate Soil Pressure at edge of Column (qu
4
)
kPa
Step 6: Ultimate Moment
Design Moment (M
u
)
kN-m
Step 7: Minimum Steel Ratio
Minimum Steel Ratio (ρ
min
)
Step 8: Number of Top Bars and Bottom Bars
Bars on Long Direction (Bottom Bars)
bars
Bars on Short Direction (Top Bars)
bars
Design Summary (Minimum Steel)
Min. Bottom Bars (Long Dir)
Min. Top Bars (Short Dir)